[講述]一、低壓電器的基本知識
電器:電能的生產、輸送、分配與應用起著控制、調節、檢測和保護的作用。電器:根據外界的信號和要求,自動或手動接通或斷開電路,斷續或連續地改變電路參數,以實現對電路或非電路對象的切換、控制、保護、檢測、變換和調節用的電氣設備。
電器定義:一種能控制電能的設備。
[講述][比較](一)低壓電器的分類
1.按工作電壓等級分類
低壓電器:用于交流1200V、直流1500V以下電路起通斷、保護、控制或調節作用的電器。
高壓電器:交流1200V以上、直流1500V以上。
2.按電器的動作原理分:手動電器和自動電器。
3.按電器的性能和用途分:控制電器、主令電器、保護電器、執行電器、配電電器。
4.按工作原理分:電磁式電器和非電量控制電器。
5.按有無觸點分:有觸點電器和無觸點電器。
(二)電器的作用
控制、保護、測量、指示、轉換。
[講述]二、常用低壓配電電器
[實物展示](一)低壓刀開關
是一種低壓手動非電量控制配電(控制)電器
結構和符號
2.作用
1)電源隔離、配電
2)控制非頻繁(每小時不能大于15-20次)地接通和分斷容量較小的低壓配電線路。
3)安裝在控制箱的右上方并且上方不能安裝其他電器,接線時應將電源線接在上端,負載接在下端,這樣拉閘后刀片與電源隔離,可防止意外事故發生
4)選用
刀開額定電流 =(1.5—2.5)電機額定電流
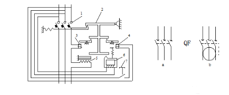
(二)低壓斷路器
1. 結構和符號
低壓斷路器也稱為自動空氣開關,由操作機構、觸點、保護裝置(各種脫扣器)、滅弧系統等組成。

1.主觸頭2.自由脫扣器 3.過電流脫扣器 (a)低壓斷路器 (b)漏電保護器
4.分勵脫扣器5.熱脫扣器6.失壓脫扣
7.停止按鈕
2. 低壓斷路器的作用
是低壓配電網中一種重要的保護電器。
1)可用來接通和分斷負載電路,也可用來控制不頻繁起動的電動機;
2)被廣泛應用于過載、短路、欠電壓、漏電等保護。
3. 低壓斷路器的選用
1)斷路器的額定電壓>被保護線路的額定電壓;
2) 斷路器的額定電流>被保護線路的計算電流;
3) 極限分斷電流>線路的最大短路電流的有效值。
[講述]三. 常用低壓保護電器
(一) 熔斷器
2.熔斷器的作用
熔斷器是一種簡單而有效的保護電器。在電路中主要起短路保護作用
3.熔斷器的選用
1)保護無起動過程的平穩負載(照明線路、電阻、電爐等)
熔體額定電流≥負荷額定電流;
2)保護長期工作的電機
熔體額定電流≥ (1.5~2.5) 電動機額定電
(二)熱繼電器
1. 熱繼電器的結構和符號
熱繼電器主要由熱元件、雙金屬片和觸點組成,熱元件由發熱電阻絲做成。雙金屬片由兩種熱膨脹系數不同的金屬輾壓而成,當雙金屬片受熱時,會出現彎曲變形。使用時,把熱元件串接于電動機的主電路中,而常閉觸點串接于電動機的控制電路中。
· 2. 熱繼電器的作用
熱繼電器(FR)主要用于電力拖動系統中電動機負載的過載保護。
電動機在實際運行中,常會遇到過載情況,但只要過載不嚴重、時間短,繞組不超過允許的溫升,這種過載是允許的。但如果過載情況嚴重、時間長,則會加速電動機絕緣的老化,縮短電動機的使用年限,甚至燒毀電動機,因此必須對電動機進行過載保護。
3.熱繼電器的熔斷選擇
熱繼電器整定電流=(0.95~1.05)電動機額定電流
[講述]四.主令電器
控制系統中,主令電器是一種專門發布命令、直接或通過電磁式電器間接作用于控制電路的電器。常用來控制電力拖動系統中電動機的起動、停車、調速及制動等。
常用的主令電器有:控制按鈕、行程開關、接近開關,萬能轉換開關、主令控制器及其它主令電器如腳踏開關、倒順開關、緊急開關、鈕子開關等。
(一)控制按鈕
1.控制按鈕的作用
控制按鈕是一種結構簡單、使用廣泛的手動主令電器,它可以與接觸器或繼電器配合,對電動機實現遠距離的自動控制(停車、起動按鈕),用于實現控制線路的電氣聯鎖(復合按鈕)。
2. 控制按鈕的結構和符號
按下按鈕時,先斷開常閉觸點,后接通常開觸點;按鈕釋放后,在復位彈簧的作用下,按鈕觸點自動復位的先后順序相反。通常,在無特殊說明的情況下,有觸點電器的觸點動作順序均為“先斷后合”。
[分析]

3.按鈕的熔斷選擇
按鈕選擇的主要依據是使用場所、所需要的觸點數量、種類及顏色。
[講述](二)行程開關(限位開關)
1.行程開關的作用
行程開關是一種根據運動部件的行程位置而切換電路的電器,它的作用是控制行程、進行終端限位保護。
行程開關的結構和符號
行程開關按其結構可分為直動式、滾輪式、微動式和組合式。
[圖片展示]

(三)接近開關
1. 接近開關的作用
接近式位置開關是一種非接觸式的位置開關,簡稱接近開關。它由感應頭、高頻振蕩器、放大器和外殼組成。當運動部件與接近開關的感應頭接近時,就使其輸出一個電信號,從而起到“開”、“關”的控制作用。用途已遠超出一般行程控制和限位保護,可用于高速計數、測速、液面控制、檢測物體的存在、檢測零件尺寸等許多場合。
2.接近開關的結構和符號
接近開關分為電感式(LJ1、LJ2等系列)和電容式(LXJ15、TC等系列)兩種,電感式接近開關只能用于檢測金屬體,電容式接近開關既能檢測金屬,又能檢測非金屬及液體。
[圖片展示]

(四)紅外線光電開關
1. 紅外線光電開關作用
紅外線光電開關也是一種非接觸式的開關,當運動部件遮擋或反射紅外線時,就使其輸出一個電信號,從而起到“開”、“關”的控制作用,光電開關和接近開關的用途已遠超出一般行程控制和限位保護,可用于高速計數、測速、液面控制、檢測物體的存在、檢測零件尺寸等許多場合。
2. 紅外線光電開關的結構和符號

紅外線光電開關對射式和反射式兩種。
(五)萬能轉換開關
1. 萬能轉換開關的作用
萬能轉換開關是一種多檔式、控制多回路的主令電器。萬能轉換開關主要用于各種控制線路的轉換、電壓表、電流表的換相測量控制、配電裝置線路的轉換和遙控等。萬能轉換開關還可以用于直接控制小容量電動機的起動、調速和換向。
2.萬能轉換開關的結構和符號
常用產品有LW5(可控5.5kW及以下的電動機)和LW6(2.2kW及以下的電動機)系列,手柄的操作方式可分為自復式(手柄自動返回)和自定位式(不能自動返回)兩種。
[結構分析]

(六)主令控制器
1. 主令控制器的作用
能頻繁的對繞線式異步電動機的起動、制動、調速及換向實行遠距離控制,廣泛用于各類起重機械的拖動電動機的控制系統中。
2.主令控制器的結構和符號
與萬能轉換開關相比,它的觸點容量大些,操縱檔位也較多。圖形符號與萬能轉換開關相似。
[講述]五. 常用低壓控制電器
(一)接觸器
1.接觸器的作用
可頻繁自動地接通或分斷交(交流接觸器)直(直流接觸器)流大電流電路,實現遠距離控制,具有低電壓釋放(失、欠壓)保護功能,是自動控制線路中使用最廣泛的電器元件。
2.接觸器的結構和符號
[結構、代號分析]

接觸器的選用
線圈電壓 =電源電壓
主觸頭額定電流≥負荷額定電流
(二)繼電器
繼電器的作用
繼電器是根據某種輸入信號的變化,接通或斷開控制電路,實現自動控制和保護電力裝置的自動電器。
1.電磁式繼電器
1)中間繼電器
作用:“放大”觸點、電壓、電流
[圖片展示][實物展示]

作用:電壓繼電器反映的是電壓信號,可分為過電壓繼電器和欠電壓繼電器。用于系統的電壓(過電壓、欠電壓)保護和控制,其線圈并聯接入主電路,感測主電路的線路電壓,觸點接于控制電路,為執行元件。
2)電壓繼電器
作用:電壓繼電器反映的是電壓信號,可分為過電壓繼電器和欠電壓繼電器。用于系統的電壓(過電壓、欠電壓)保護和控制,其線圈并聯接入主電路,感測主電路的線路電壓,觸點接于控制電路,為執行元件。

3)電流繼電器
作用:電流繼電器反映的是電流信號,可分為過電流繼電器和欠電流繼電器。用于系統的電流(過電流、欠電流)保護和控制,其線圈串聯接入主電路,感測主電路的線路電流,觸點接于控制電路,為執行元件。

2. 時間繼電器
時間繼電器是一種利用電磁原理或機械動作原理實現觸點延時接通或斷開的自動控制電器,其種類很多,常用的有電磁式、空氣阻尼式、電動式和晶體管式等。廣泛用于電力拖動、順序控制及各種生產過程的自動控制中。
[比較區分]

3.其它非電磁類繼電器
非電磁類繼電器的感測元件接受非電量信號(如:溫度、轉速、位移及機械力等)。常用的非電磁類繼電器有:熱繼電器、速度繼電器、干簧繼電器、永磁感應繼電器等。
速度繼電器
速度繼電器的軸與電動機的軸相連接,一般情況下,速度繼電器的觸點,在轉速達120r/min時能動作,100r/min左右時能恢復正常位置。
