半導體激光器具有轉換效率高,體積小,重量輕,可靠性高,價格低廉,便于內調制等優點,其應用潛力大。由于激光器的這些優良特性,因而越來越廣泛地被用于國防、科研、醫療、光通信、光纖通訊、集成光學、激光印刷、激光束掃描、光盤存貯技術等領域[1-2]。因此研制性能可靠、經濟耐用的半導體激光系統具有很高的實用價值。
由半導體激光管(LD)電壓和電流特性可知:其抗上電沖擊的能力差,工作時微小電壓變化會導致激光管電流、器件參數變化較大;此外其供電電源紋波過大也會使得激光器輸出不穩定[3]。這就對半導體激光器的驅動電源提出十分嚴格的要求:電源供電瞬間上升沿平滑;電源輸出電壓穩定可靠,紋波小,功率大;斷電電源緩慢平滑失電。
為了保證半導體激光器正常工作,目前激光驅動電源大多采用以高頻、低開關阻抗的MOSFET為核心的開關電源等技術進行設計[4]。雖然其激光電源紋波小,但由于激光器價格昂貴、易受過電壓沖擊,不能滿足高功率激光器對得電、失電平滑控制的要求。而且目前多數激光電源功率偏小,機械調節操作性差,電壓上升和下降時間控制難度大,可靠性低[5]。
介紹一種基于FPGA的可調激光系統。該系統充分利用開關電源芯片的優點,結合流行的FPGA(現場可編程邏輯門陣列)和自動控制技術,實現了激光器件驅動電源實時、可調、穩定、可靠供電。與現有激光系統相比,系統集成度高、驅動電流大、設計簡潔,在血液分析儀的應用中滿足其技術指標,提升了國產血液分析儀的競爭力,對提高國內醫療診斷水平具有重要現實意義。
血液分析儀采用散射光檢測技術對血細胞分析檢測,該技術中的激光發射器為關鍵物料,其系統可靠性直接影響光源信號,決定了血細胞檢測準確性。為了消除光源間的微小差異,需要對激光的電源上升沿、保持、下降沿進行持續調節。
技術指標如下:
(1)激光工作時,額定功率:DC4~5V/1A;
(2)激光電源上電上升沿時間:≤5ms;
(3)激光電源斷電時電壓在20s≤T≤30s緩慢下降至1.26V并保持。
可調激光電源控制系統包含以下幾個模塊:系統電源、FPGA控制器、軟開關控制器、激光供電模塊、激光發射器。
其中系統電源為DC24V及降壓模塊組成,為FPGA和激光供電模塊供電。系統工作原理是:FPGA作為系統控制核心,首先控制軟開關控制器導通,使得激光供電模塊得電;DCDC降壓轉換,然后FPGA發出數字信號控制數字可調電阻阻值,激光供電模塊穩壓輸出;激光發射器得電,發出激光[6]。
光源發射器作為核心部件,選擇Philips Lumileds公司的專利LUXEON V高效能光源。它是第一個將傳統照明的光輸出特性結合LED體積小、壽命持久、節省能源等優點的產品,已被廣泛使用于一般照明、汽車照明、便攜式照明、數位影像、顯示屏背光和信號顯示等領域[7]。
現場可編程門陣列(Field Programmable Gate Array,FPGA)器件具有集成度高、功耗低、可靠性高等優點,以及可編程、并行處理的獨特優勢,廣泛應用于電子通信、航空航天等領域[8]。采用AlTERA公司Cyclone III系列之EP3C40F484芯片,芯片集成有39600個邏輯單元,4個PLL,331個外部獨立I/O,具有功耗低、集成度高等特點。該FPGA器件結合Altera公司的非易失的存儲器EPCS Flash芯片EPCS64N完成嵌入式系統的設計。
為滿足血細胞分析儀激光源工作時1A的大電流(功率為4W),且電源供電瞬間升壓、斷電(20~30)s逐漸降壓至1.26V的特殊要求,本課題采用一種數字可調電壓激光電源電路實現。電路采用穩壓芯片LM2596和數字可調電位器AD5160搭建。其中LM2596穩壓轉換芯片,轉換輸出5V時,負載電流最大可達3A,完全滿足激光光源的大電流大功率需求。而采用AD5291數字電位器作為LM2596電壓轉換的平衡電阻,再通過FPGA編程實時更改其阻值,從而滿足激光電源的特殊需求。
數字電位器AD5160為8位256通道數字電位器,具有調節精度高、工作壽命極長、功耗小、無噪聲、無機械磨損、數據可讀寫、具有配置寄存器及數據寄存器等優點。電位器量程為100kΩ,阻值變化絕對精度為0.39kΩ。
U1為穩壓芯片LM2596,U2為數字可變電阻(VR)器件AD5160,Laser_clk、Laser_sdi和 Lase_cs分別是 FPGA 與 U2的SPI串行配置接口的時鐘、數據和選通信號,如圖1所示。C1~C7優質電容,均為了盡可能減少瞬態干擾,并濾除低頻紋波。R1阻值為30kΩ,U2數字可變電阻的1腳和7腳之間的阻值為Ru2,則可計算出輸出電壓為1.25V。

圖1 激光電源供電電路設計原理圖
Fig.1 The Design Schematic Diagram of Laser Power Supply Circuit
FPGA通過編程控制進行SPI配置,配置數據0X00時,由于數字可變電阻U2存在60Ω游標接觸電阻,則電源輸出電壓約為1.253V。
當配置數據為0XFF時,U2阻值滿量程但實際比標稱電阻小1LSB,即100kΩ-0.39kΩ=99.61kΩ,此時輸出最大電壓約為5.40V。
因此該電路,通過理論計算滿足激光發生器對供電電壓范圍(1.26~5)V可調的要求;而數字可變電阻AD5160阻值的變化以及其變化時間可利用FPGA通過SPI接口設置對其進行延時控制,從而控制電源電壓上升時間及下降時間。
系統中FPGA工作時鐘為50MHz,用Verilog硬件描述語言軟件編程設計,通過pll鎖相環倍頻,由分頻模塊輸出控制配置AD5160芯片電阻值參數[9]。
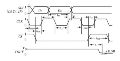
提出FPGA主控器與AD5160數字可調電阻器的SPI通訊。芯片 AD5160 有八個引腳,分別是 VDD、GND、CLK、SDI、CS、W、A、B,其工作時序,工作原理,如圖2所示。
主控制器FPGA發送時鐘信號發送到AD5160的CLK引腳,VDD供給+5V電源情況下,AD5160開始工作。當它的CS接收到FPGA發出低電平的下降沿,AD5160芯片通過SDI數據線采樣并進行電阻值匹配。該數字信號上的8位數據高位在前(MSB),低位在后。當AD5160的CS變高電平,其電阻值保持。

圖2 AD5160的SPI工作時序圖
Fig.2 The SPI Configuration Sequence Diagram of AD5160
由圖2可知,AD5160電阻器的數據發送的時鐘周期是8幀,而CS可由FPGA中斷拉高,SDI數據線處于高阻三態,再重新開始電阻匹配,等待下一個CS變為低有效的配置周期開始。因此,FPGA控制AD5160電阻器的一個數據配置周期為8幀時鐘周期加上CS為高中斷時間tq(1個時鐘周期),即每個8位的數據采樣周期為9(8+1)個時鐘。主控制器FPGA的工作時鐘頻率為25M,則AD5160電阻器實際配置頻率為25M/9=2.78MSPS。
當儀器需要激光電路工作時,用FPGA控制器通過SPI設置U2的數據值為0XE6,此時U2的阻值約為90K,激光電源電路輸出電壓Vout的值為5V,電壓以微秒級瞬間上升至5V;當激光源工作結束時,FPGA控制器通過SPI設置U2的數據值從0XE6遞減至0X00,遞減步長為0X01,間隔時間為116ms,總時間為26.68s。
這種數字可調激光電源電路,通過穩壓芯片LM2596電源電壓轉換的特性以及對數字可調變阻器AD5160的精確調節,從而實現了電源電路(1.26~5)V電壓和電壓變化的精確調節,滿足了激光源對供電電源的特殊要求。
在QuartusII開發環境中,創建signaltap邏輯分析儀文件,對配置AD5160芯片參數在線仿真,其中SMARTEN寄存器配置0XA0004數值波形圖[10],如圖3所示。
通過軟件編程SPI接口的數字可調配置電阻值模塊,FPGA輸出25MHz的時鐘信號控制模塊。圖3是邏輯分析儀SignalTap對FPGA實現SPI配置電阻值的調試圖,cs_5160是片選信號,sck_5160是配置時鐘,sdo_5160是串行數據,rdata[0..15]是FPGA對數字可調電阻AD5160配置的數值,以十進制數表示。

圖3 FPGA配置數字可調電阻值圖
Fig.3 The Diagram of Configuring Digital Adjustable Resistor Value by FPGA
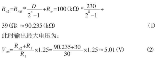
其中rdata[0..15]數值為十進制數230,則U2阻值可計算得:

由此可知,實測激光電源電壓為(5.012±0.04)V波動范圍內。電源驅動電路中,AD5160配置時鐘為25MHz,且充分利用FPGA可編程優勢,可微調實現激光電源電壓的調試以改善甚至解決光源不一致問題,其電源驅動系統精度、速度、準確性均滿足設計要求。
完成系統電子線路設計后,加載FPGA固化程序,在驅動電路板上運行,FPGA完成對數字可調電阻AD5160的阻值配置,其中配置“230”十進制數值(二進制數值為11100110)實際波形如圖4所示。配置“93”十進制數值后的電壓上電、斷電波形,從上向下分別是AD5160芯片的選通信號CSN、配置時鐘SCK和輸入數據SDO,其理論值與實測值4.4V偏差僅約(-0.0054)V,上升時間約4ms,下降時間約為26.8s[12],如圖5、圖6所示。

圖4 AD5160芯片阻值配置波形圖
Fig.4 The Waveform Figure of Configuring AD5160 Resistor Value

圖5 激光電源上電后上升沿波形圖
Fig.5 The Waveform Figure of Voltage Rising after Laser Power Up

圖6 激光電源斷電下降沿波形圖
Fig.6 The Waveform Figure of Voltage Dropping after Laser Power Off
實驗結果表明,數字可調激光電源供電時,上升時間僅小于5ms,FPGA控制電阻值穩定,電源模塊穩壓波形平滑,幾乎無毛刺,實測紋波小于50mV,激光電源斷電時,電壓緩慢平滑下降且可調,誤差完全符合設計要求。目前,該數字可調激光驅動電源控制系統已成功應用到五分類血液分析儀,實際運行結果與實驗結果完全一致,通過改變激光驅動電源的設計,與其它激光驅動電源相比,有效的提高了激光系統產生光源的可靠性和穩定性。
設計一種基于FPGA的數字實時可調激光系統。系統創新的通過FPGA自由編程的特點來完成激光電源幅值、上升和下降時間的控制,對激光光源的可靠性和穩定性有明顯的提高。該數字可調激光驅動電源控制系統已成功應用到五分類血液分析儀,實際應用中取得了良好的效果。